We insist on suppling high quality products, perfect service and competitive price to meet customer's demand and we constantly tracking the advanced technology trends of domestic and internationals.
Pre-sale
Company attaches great importance to the development of new products. In the early stage of product development, it can offer more effective and economical solutions to different customers or products,and we can stand in the customer's position, make more perfect forerunner planning and failure mode analysis for the customer and make a reasonable solution. To tie in with the development of the potential market, regularly organize relevant personnel research, active visit customers to understand the specific situation, and master the customer needs, and actively cooperate with customers and design department, set up benign technology exchange, under the condition of mutual understanding between the two sides proposed design scheme.
Selling.
During the period of product production, informed of production schedule to customer at any time, Actively cooperate and support the supervision work of customers.On the details of production,we exchange views either by written or exchange at production site.
For the bidding products, we strictly follow the requirements of the customer and strictly follow TS16949 quality management system also with "6S" management mode to make products,ensure that the products meet customer's requirements.
After-sale
High quality and perfect after-sale service is an important commitment to customers.
Set up after-sales service files for sold out products, long-term tracking service, promised the principle of "quality first, customer first"to customers. Listen to customer's comments and suggestions, and continuously improve work method to make customer's satisfaction, ensure the quality for the sold out products,try our best to meet customers' demands.
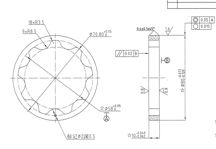
Technical requirements:
1. Press Facility: 140 Ton
2. Density: 6.7-6.8g/cm³
3. Weight: 126.7g
4. Surface Hardness: ≥ HRB60
5. Part should be bright, no burrs, no sharp edges and cracks.

